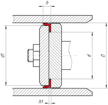
Submitted by admin on Thu, 08/06/2020 - 23:56 Изготовление деталей на заказПо размеру изделияПо размеру монтажной полости h * h1 * d * d1 * D * Материал манжеты PU1-полиуретан масло-водо-бензостойкийRub1-резина масло-бензостойкая (МБС)Rub2-резина фторкаучуковая (FKM) Количество Заказать Имя * Номер телефона * Срок поставки Примечание Заказать L * L1 * d * d1 * D * Материал манжеты PU1-полиуретан масло-водо-бензостойкийRub1-резина масло-бензостойкая (МБС)Rub2-резина фторкаучуковая (FKM) Количество Заказать Имя * Номер телефона * Срок поставки Примечание Заказать